BMS in the University of Zlín - RSI SOFT
| Hardware: |
1x PC |
| Control stations: |
PLC SAIA, Honeywell, EZS, EPS |
| Date of commission: |
2015-2025 |
| Application designer/company name: |
RSI SOFT s.r.o. http://www.rsi-soft.cz |
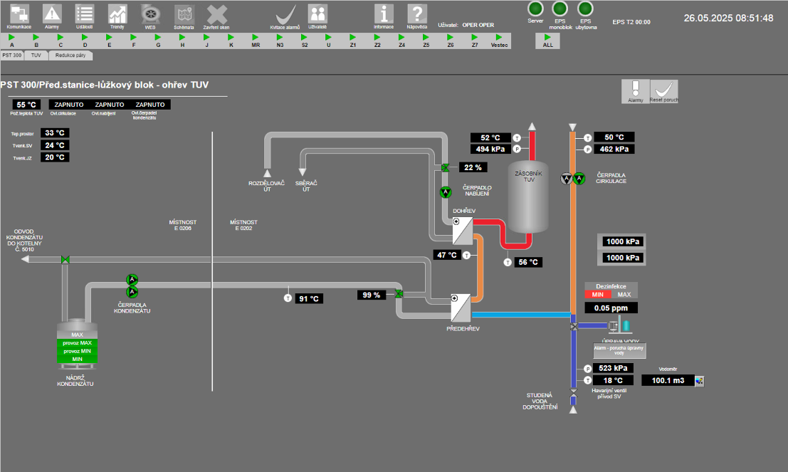
In the buildings of the Technical University in Zlín a comprehensive building technology management system (BMS) is implemented. In the core of which is the PROMOTIC SCADA system. This system provides effective monitoring and management of technologies associated with heating and heat exchanger stations in individual buildings of the university.
Main functions of the system:
Monitoring and control of the heating system
PROMOTIC provides supervision over the operation of heating systems in individual university buildings, including monitoring of current temperatures, pressures and flows in the system. The operators have access to real-time data and historical trends, allowing energy consumption to be optimised.
Control heat exchanger stations
The heat exchanger stations are controlled based on the actual heat demand, outdoor temperature and preset temperature curves. Here PROMOTIC provides control of heating water flow, control of pumps and valves, monitoring of operating conditions and fault signalling.
Visualization and remote supervision
The user-defined interface of the PROMOTIC system allows visualization of all controlled technologies in a clear graphical display. The system can be monitored and controlled remotely via a secure connection, e.g. from the control room or mobile devices of the responsible technicians.
Alarm system and notifications
In the event of a failure or operational emergency the system generates a report and sends a notification to the operator (e.g. by e-mail or SMS). Alarm history is archived for analysis and optimization of operation.
Energy management and reports
The PROMOTIC system collects and stores data on heat consumption, operating times of the equipment and other parameters important for energy management. The data is used for creating regular operational reports and evaluating efficiency of the system.
